< Previous   Next >

2008 - MX-5 - Body and Accessories

REAR SPEAKER REMOVAL/INSTALLATION

1. Remove the battery cover.
2. Disconnect the negative battery cable. (See BATTERY REMOVAL/INSTALLATION [LF].)
3. Remove the following parts:
a. Console (See CONSOLE REMOVAL/INSTALLATION.)
b. Quarter trim (See QUARTER TRIM REMOVAL/INSTALLATION.)
c. Scuff plate (SCUFF PLATE REMOVAL/INSTALLATION.)
d. Tire house trim (See TIRE HOUSE TRIM REMOVAL/INSTALLATION.)
e. Aeroboard (See AEROBOARD REMOVAL/INSTALLATION.)
f. Front seat back bar garnish (See SEAT BACK BAR GARNISH REMOVAL/INSTALLATION.)
g. Back trim (See BACK TRIM REMOVAL/INSTALLATION.)
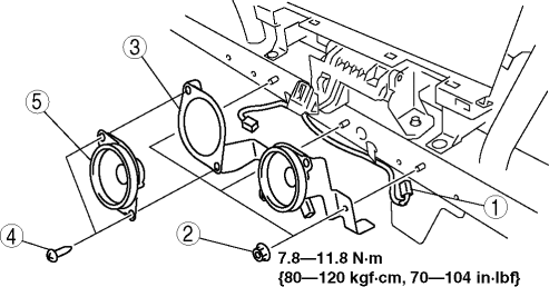
4. Remove in the order indicated in the table.



1

Connector

2

Nut

3

Bracket (with Bose®)

Bracket and rear speaker (without Bose®)

4

Screw

5

Rear speaker (with Bose®)


5. Install in the reverse order of removal.


< Previous   Next >
Back to Top
© 2009 Mazda North American Operations, U.S.A.