< Previous   Next >

2008 - MX-5 - Body and Accessories

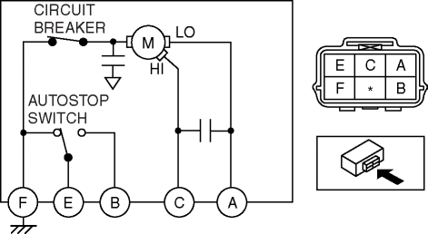
WIPER MOTOR INSPECTION

1. Disconnect the wiper motor connector.
2. Connect battery positive voltage to wiper motor terminal A or C, and ground to terminal F, then verify that the wipers operate as shown in the table.

3. Operate the wipers, disconnect battery positive voltage from terminal C, and then verify that the wipers stop.
4. Connect wiper motor terminals E and A, and apply battery positive voltage to terminal B.
5. Operate the wipers at low speed, and verify that they stop in the park position.


< Previous   Next >
Back to Top
© 2009 Mazda North American Operations, U.S.A.