< Previous   Next >

2008 - MX-5 - Body and Accessories

DECK PANEL MOTOR INSPECTION

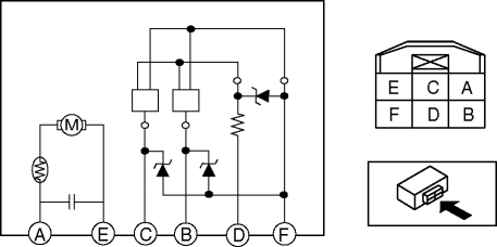
1. Apply battery positive voltage and connect the ground to deck panel motor terminals A and E, and then inspect the deck panel motor operation.



Operation

Terminal

E

A

Open

Ground

B+

Close

B+

Ground


2. Connect the battery positive voltage to deck panel motor terminal D and connect terminal F to ground.
3. Operate the deck panel motor and measure the voltage at terminal B.

NOTE:



< Previous   Next >
Back to Top
© 2009 Mazda North American Operations, U.S.A.