< Previous   Next >

2008 - MX-5 - Body and Accessories

IMMOBILIZER SYSTEM COMPONENT REPLACEMENT/KEY ADDITION AND CLEARING [ADVANCED KEYLESS SYSTEM]

Foreword



Ref. No.

Condition

Items necessary for procedure (prepare before starting procedure)

Cautionary notes

1

Since two or more keys that can start the engine are necessary, make a spare key. Or program an additional key.

  • Programming key

  • The M-MDS is necessary for the additional key programming if “Customer spare key programming disable” is performed before the procedure using the M-MDS. In this case, perform No. 2.

2

If there is only one key that can start the engine, make a spare key. If there is no key, program an additional key.

  • Programmed card key

  • Programming key

  • M-MDS

-

3

Replacing the PCM only.

  • New PCM

  • Programmed card key or programmed key

  • M-MDS

-

4

Changing the additional key programming procedure. (Method for programming other keys using two keys that can start the engine is disabled.)

  • M-MDS

  • The additional key programming using No. 1 cannot be performed after the procedure. It is possible to restore the setting. For restoring the setting, the M-MDS is necessary.

4

Changing the additional key programming procedure. Allows programming using two keys that can start the engine.

  • M-MDS

  • New vehicles have this setting.

3

Clearing the programmed key ID number.

  • Programming keys (two or more)

  • M-MDS

  • Carry out the following procedure using the M-MDS, then go to

    • Ignition Key Code Erase

3

Replacing all the keys. (Steering lock unit is not replaced)

  • Programmed card key

  • Programming keys (two or more)

  • M-MDS

5

Replacing the steering lock unit.

  • New steering lock unit

  • Programmed card key

  • New keys (two or more)

  • M-MDS

  • Carry out the following procedure using the M-MDS, then go to

    • Ignition Key Code Erase

    • STEERING LOCK UNIT PROGRAMMING

5

Replacing the keyless control module.

  • New keyless control module

  • Card key

  • Programming keys (two or more)

  • M-MDS

  • Carry out the following procedure using the M-MDS, then go to

    • Ignition Key Code Erase

    • CARD KEY PROGRAMMING

    • STEERING LOCK UNIT PROGRAMMING

5

Replacing the instrument cluster.

  • New instrument cluster

  • Card key

  • Programming keys (two or more)

  • M-MDS

  • Carry out the following procedure using the M-MDS, then go to

    • Ignition Key Code Erase

    • Parameter Reset

-

Replacing the coil antenna.

  • New coil antenna

  • Immobilizer system resetting is not necessary.


CAUTION:

NOTE:

M-MDS Connecting Procedure

CAUTION:

1. Fully lower the door glass.
2. Connect the M-MDS to the DLC-2.

3. Pull out the M-MDS cable from the door glass opening and set the M-MDS outside the vehicle.

CAUTION:

No.1 Additional Key Programming Procedure (Using Two Valid Keys)

CAUTION:

NOTE:

Procedure

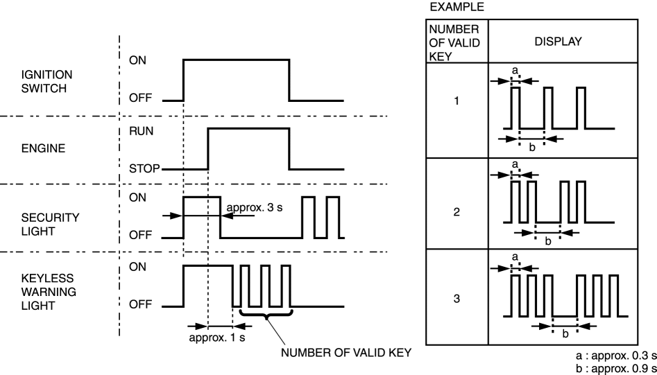
1. Prepare key 3 for programming.
2. Start the engine using key 1.
3. Verify that the security light illuminates for approx. 3 s, and then goes out.
4. Turn the ignition switch to the LOCK position.
5. Using key 1, turn the ignition switch to the ON position.
6. Verify that the security light illuminates for approx. 3 s, and then goes out.
7. Using key 1, turn the ignition switch to the LOCK position within approx. 4 s after the security light goes out.
8. Remove key 1.
9. Repeat Steps 2—5 using key 2 instead of key 1.
10. Repeat Steps 5—8 using key 3 instead of key 1.
11. If additional keys need to be programmed, repeat Steps 1—10, and replace key 3 in Step 10 with the key to be programmed (key 4).

No. 2 Key Additional Programming Procedure (Using the M-MDS)

NOTE:

Procedure
1. Prepare key 1 for programming.
2. Start the engine using a valid key or card key.

CAUTION:

3. Verify that the security light illuminates for approx. 3 s, and then goes out.
4. Turn the ignition switch to the LOCK position.
5. Connect the M-MDS to the DLC-2. (See .)
6. Using key 1, turn the ignition switch to the ON position.

NOTE:

7. Select “BODY/SECURITY/PATS functions” from the M-MDS screen menu.
8. Select “Program additional ignition key” from the M-MDS screen menu.

NOTE:

9. Perform the security access according to the directions on the M-MDS screen. (See SECURITY ACCESS PROCEDURE [ADVANCED KEYLESS SYSTEM].)
10. After verifying that the PATS function menu is displayed again on the M-MDS screen, turn the ignition switch to the LOCK position and remove key 1.
11. Using the key to be programmed, turn the ignition switch to the ON position.
12. Return to the Step 6.
13. After verifying that the PATS function menu is displayed again on the M-MDS screen, select the “Exit (From This Menu)” to finish the M-MDS procedure.
14. After Step 10, wait 5 s or more, and then turn the ignition switch to the LOCK position.

No.3 PCM Replacement Procedure

CAUTION:

Procedure

1. Turn the ignition switch to the LOCK position.
2. Connect the M-MDS to the DLC-2. (See .)
3. Using a valid key or card key, turn the ignition switch to the ON position.

NOTE:

4. Verify that the keyless warning light illuminates for approx. 3 s, and then goes out.
5. Select “BODY/SECURITY/PATS functions” from the M-MDS screen menu.
6. Select “Parameter Reset” from the M-MDS screen menu.
7. Perform the security access according to the directions on the M-MDS screen. (See SECURITY ACCESS PROCEDURE [ADVANCED KEYLESS SYSTEM].)
8. After verifying that the PATS function menu is displayed again on the M-MDS screen, select “Exit (From This Menu)” to finish the M-MDS procedure.
9. After Step 8, wait 5 s or more, and then turn the ignition switch to the LOCK position.
10. Turn the ignition switch to the ON position.
11. After verifying that the security light and keyless warning light illuminates for 3 s or more turn the ignition switch to the LOCK position.
12. Verify that the all keys can start the engine for 5 s or more after the procedure.

No. 4 Key Additional Programming Procedure Changing

NOTE:

Procedure
1. Using the key, turn the ignition switch to the ON position. (The key can be either the valid key or an unprogrammed key)

NOTE:

2. Connect the M-MDS to the DLC-2.
3. Select “BODY/SECURITY/PATS functions” from the M-MDS screen menu.
4. Select “Customer Spare Key Programming Enable” or “Customer Spare Key Programming Disable” from the M-MDS screen menu. The key additional programming procedure is as follows according to the selected menu:

Setting

Additional key programming procedure

Method using two valid keys

Method using the M-MDS

Customer spare key programming enable

Customer spare key programming disable

×


Available
×
Unavailable
5. Perform the security access according to the directions on the M-MDS screen. (See SECURITY ACCESS PROCEDURE [ADVANCED KEYLESS SYSTEM].)
6. After verifying that the PATS function menu is displayed again on the M-MDS screen, select “Exit (From This Menu)” to finish the M-MDS procedure.
7. After Step 6, wait 5 s or more and then turn the ignition switch to the LOCK position.

No.5 Resetting Procedure for the Immobilizer System when Replacing the related parts (PCM, Keyless Control Module, Instrument cluster, or Steering Lock Unit)

CAUTION:

Procedure

1. Prepare two or more keys to be programmed after the key ID number is cleared.
2. Connect the M-MDS to the DLC-2. (See .)
3. Using key 1, turn the ignition switch to the ON position.
4. Verify that the keyless warning light illuminates for approx. 3 s and then goes out.
5. Select “BODY/SECURITY/PATS functions” from the M-MDS screen menu.
6. Select “Ignition Key Code Erase and Program” from the M-MDS screen menu and perform the procedure according to the M-MDS screen.
7. Perform the security access according to the directions on the M-MDS screen. (See SECURITY ACCESS PROCEDURE [ADVANCED KEYLESS SYSTEM].)

CAUTION:

8. Select “Parameter Reset” from the M-MDS screen menu.
9. Perform security access again as indicated on the M-MDS screen. (See SECURITY ACCESS PROCEDURE [ADVANCED KEYLESS SYSTEM].)
10. Select the replaced part as indicated on the M-MDS screen.

NOTE:

11. Perform “Program Additional card key”. (When replacing keyless control module) (See CARD KEY ID CODE REGISTRATION [ADVANCED KEYLESS SYSTEM].)
12. Perform “Steering Lock Unit Programming”. (When steering lock unit) (See STEERING LOCK UNIT ID CODE REGISTRATION[ADVANCED KEYLESS SYSTEM].)
13. After verifying that the PATS function menu is displayed again on the M-MDS screen, select “Exit (From This Menu)” to finish the M-MDS procedure.
14. After Step 13, wait 5 s or more and then turn the ignition switch to the LOCK position.
15. Using key 1, turn the ignition switch to the ON position.
16. After verifying that the security light and keyless warning light illuminate for 3 s or more, turn the ignition switch to the LOCK position and remove key 1.

NOTE:

17. Using key 2, turn the ignition switch to the ON position.
18. Verify that the security light and keyless warning light illuminate for approx. 3 s, and then goes out.
19. After verifying that the security light goes out, turn the ignition switch to the LOCK position using key 2, and then remove key 2.
20. If additional keys need to be programmed, repeat Steps 13—14 with the additional key to be programmed being key 3. If the ignition switch is held in the ON position for 1 min or more, additional key programming according to Steps 18—19 will not be possible. If this occurs, refer to “” to program any additional keys.
21. Start the engine with key 1.
22. Verify that the security light and keyless warning light operate as follows:
23. After verifying that the keyless warning light goes out, turn the ignition switch to the LOCK position using key 1, and then remove the key.
24. Repeat Steps 22—23 using key 2 instead of key 1.

NOTE:

25. Start the engine using the card key.

CAUTION:

26. Verify that the security light and keyless warning light operate as follows:
27. After verifying that the keyless warning light goes out, turn the ignition switch to the LOCK position.


< Previous   Next >
Back to Top
© 2009 Mazda North American Operations, U.S.A.