< Previous   Next >

2008 - MX-5 - Body and Accessories

SEAT WARMER SWITCH INSPECTION

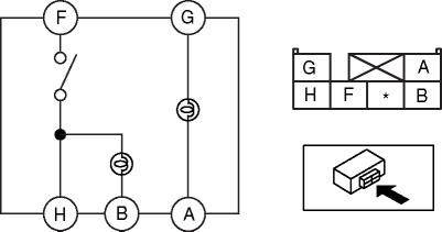
Driver’s side

1. Verify that the continuity between the seat warmer switch terminals is as indicated in the table.

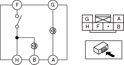
Passenger’s side

1. Verify that the continuity between the seat warmer switch terminals is as indicated in the table.



< Previous   Next >
Back to Top
© 2009 Mazda North American Operations, U.S.A.