< Previous   Next >

2008 - MX-5 - Body and Accessories

POWER WINDOW MAIN SWITCH INSPECTION [POWER RETRACTABLE HARDTOP]

With Exterior Open function

1. Disconnect the negative battery cable.
2. Remove the console. (See CONSOLE REMOVAL/INSTALLATION.)
3. Remove the power window main switch. (See POWER WINDOW MAIN SWITCH REMOVAL/INSTALLATION.)
4. Connect the power window main switch connector.
5. Connect the negative battery cable.
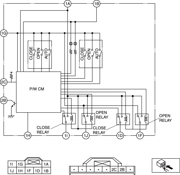
6. Verify that the voltages of each of the terminals are as indicated in the terminal voltage table.
Terminal Voltage Table (Reference)


Terminal

Signal name

Connected to

Measured condition

Voltage (V)

Inspection item (s)

1A

Power supply

P.WIND2 20 A fuse

Under any condition

B+

  • P.WIND2 20 A fuse

  • Related wiring harnesses

1B

IG 1

METER 15 A fuse

Ignition switch is at ON position

B+

  • Inspect METER 15 A fuse

  • Related wiring harnesses

Ignition switch is at LOCK position

1.0 or less

1D

Close output

Power window motor

While door glass is opening

1.0 or less

While door glass is closing

B+

1F

Open output

Power window motor

While door glass is opening

B+

While door glass is closing

1.0 or less

1G

GND

Body ground

Under any condition

1.0 or less

  • GND

1H

Communication

Keyless control module

Because this terminal is for communication, good/no good judgment by terminal voltage is not possible.

  • Keyless control module

1I

Close output

Power window motor

While door glass is opening

1.0 or less

While door glass is closing

B+

1J

Open output

Power window motor

While door glass is opening

B+

While door glass is closing

1.0 or less

2B

Door glass open complete signal

Power retractable hardtop control module

Instant when door glass open operation is completed after RHT switch is operation

1.0 or less (SeeReference.)

  • Power retractable hard top control module

  • Related wiring harnesses

Other

B+

2C

Door glass open request signal

Power retractable hardtop control module

While RHT switch is pressed

1.0 or less

  • Power retractable hard top control module

  • Related wiring harnesses

While RHT switch is not pressed

B+


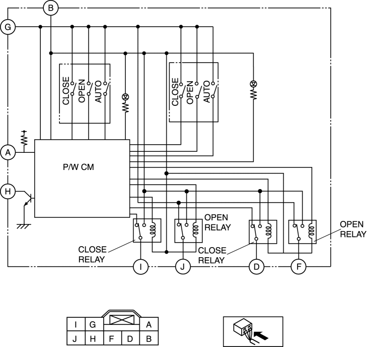
Without Exterior Open function

1. Disconnect the negative battery cable.
2. Remove the console. (See CONSOLE REMOVAL/INSTALLATION.)
3. Remove the power window main switch. (See POWER WINDOW MAIN SWITCH REMOVAL/INSTALLATION.)
4. Connect the power window main switch connector.
5. Connect the negative battery cable.
6. Verify that the voltages of each of the terminals are as indicated in the terminal voltage table.
Terminal Voltage Table (Reference)


Terminal

Signal name

Connected to

Measured condition

Voltage (V)/Continuity

Inspection item (s)

B

IG 1

P.WIND 20 A fuse

Ignition switch is at ON position

B+

  • Inspect P.WIND 20 A fuse

  • Related wiring harnesses

Ignition switch is at LOCK position

1.0 or less

D

Close output

Power window motor

While door glass is opening

1.0 or less

While door glass is closing

B+

F

Open output

Power window motor

While door glass is opening

B+

While door glass is closing

1.0 or less

G

GND

Body ground

Under any condition

1.0 or less

  • GND

I

Close output

Power window motor

While door glass is opening

1.0 or less

While door glass is closing

B+

J

Open output

Power window motor

While door glass is opening

B+

While door glass is closing

1.0 or less

A

Door glass open complete signal

Power retractable hardtop

While RHT switch is pressed

1.0 or less

  • Power retractable hard top control module

  • Related wiring harnesses

While RHT switch is not pressed

B+

H

Door glass open request signal

Power retractable hardtop

Instant when door glass open operation is completed after RHT switch is operation

1.0 or less (SeeReference.)

  • Power retractable hard top control module

  • Related wiring harnesses

Other

B+


Reference



< Previous   Next >
Back to Top
© 2012 Mazda North American Operations, U.S.A.