< Previous
Next >
2008 - MX-5 - Body and Accessories
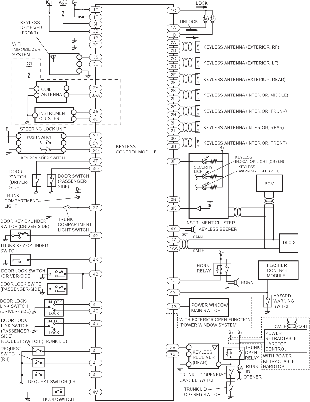
KEYLESS ENTRY SYSTEM WIRING DIAGRAM [ADVANCED KEYLESS SYSTEM]
< Previous
Next >
Back to Top
© 2009 Mazda North American Operations, U.S.A.