< Previous   Next >

2008 - MX-5 - Restraints

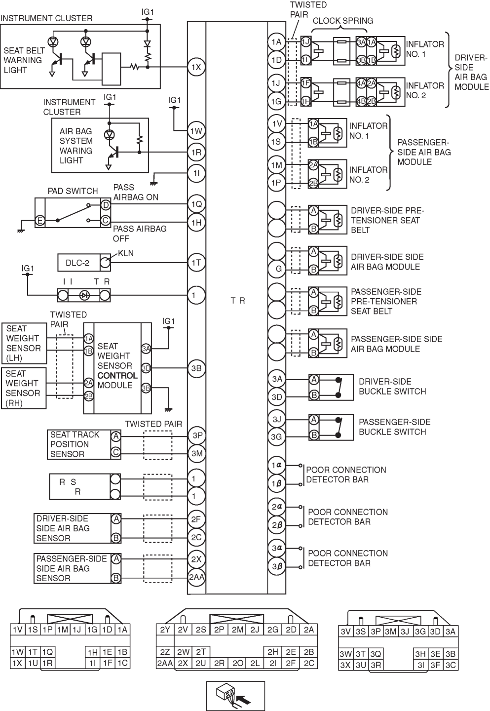
AIR BAG SYSTEM WIRING DIAGRAM (ON-BOARD DIAGNOSTIC)



< Previous   Next >
Back to Top
© 2012 Mazda North American Operations, U.S.A.