< Previous   Next >

2008 - MX-5 - HVAC

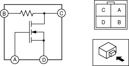
POWER METAL OXIDE SEMICONDUCTOR FIELD EFFECT TRANSISTOR (POWER MOS FET) INSPECTION

1. Verify that the resistance between the terminals of the power MOS FET is as shown in the table.


Tester lead

Resistance (kilohm)

(approx. quantity)

+

A

B

1,300

A

C

1,300

A

D

2.2

B

A

B

C

0.12

B

D

C

A

C

B

0.12

C

D

D

A

2.2

D

B

190

D

C

1,300




< Previous   Next >
Back to Top
© 2009 Mazda North American Operations, U.S.A.