Next >

2008 - MX-5 - Transmission/Transaxle

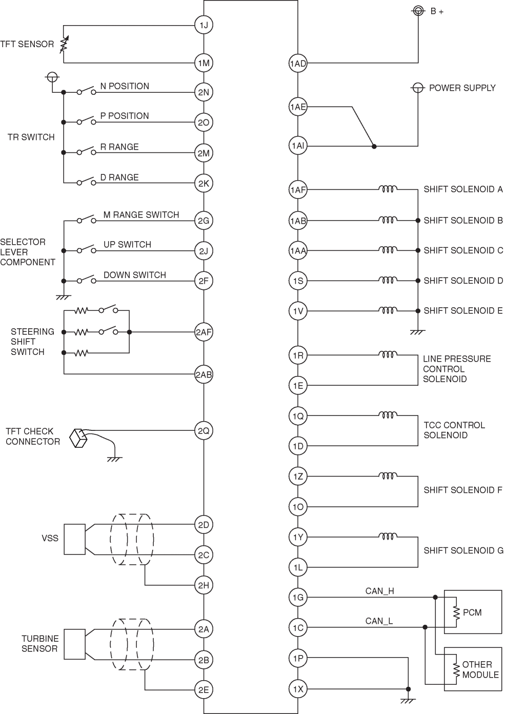
AUTOMATIC TRANSMISSION CONTROL SYSTEM WIRING DIAGRAM [SJ6A-EL]



  Next >
Back to Top
© 2009 Mazda North American Operations, U.S.A.