< Previous   Next >

2008 - MX-5 - Brakes

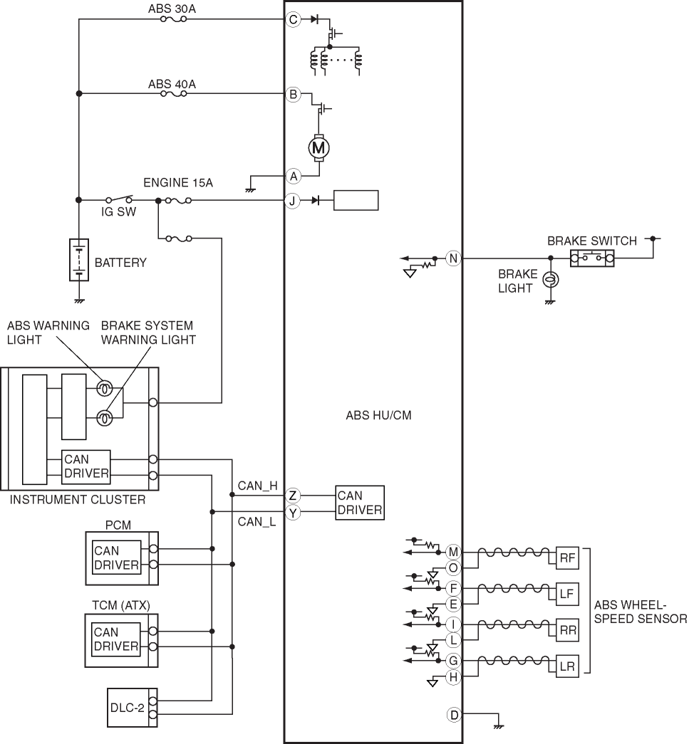
ABS SYSTEM WIRING DIAGRAM



< Previous   Next >
Back to Top
© 2012 Mazda North American Operations, U.S.A.