< Previous   Next >

2008 - MX-5 - Brakes

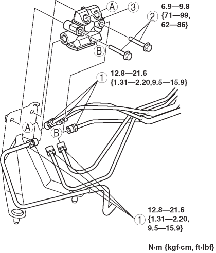
DUAL PROPORTIONING VALVE REMOVAL/INSTALLATION

1. Remove in the order indicated in the table.



1

Brake pipe

(See Brake Pipe Removal Note.)

(See Brake Pipe Installation Note.)

2

Bolt

3

Dual proportioning valve

(See Dual Proportioning Valve Installation Note)


2. Install in the reverse order of removal.

Brake Pipe Removal Note

1. Place an alignment mark on the brake pipe and dual proportioning valve.

Dual Proportioning Valve Installation Note

1. Install the dual proportioning valve so that the R marks faces the upper side of the vehicle.

Brake Pipe Installation Note

1. Align the marks made before removal and install the brake pipe to the dual proportioning valve referring to the figure.



< Previous   Next >
Back to Top
© 2012 Mazda North American Operations, U.S.A.