< Previous   Next >

2008 - MX-5 - Suspension

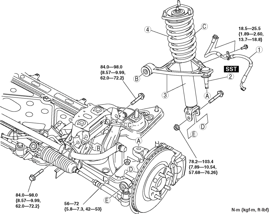
FRONT SHOCK ABSORBER AND COIL SPRING REMOVAL/INSTALLATION

CAUTION:

1. Remove the front suspension tower bar. (See FRONT SUSPENSION TOWER BAR REMOVAL/INSTALLATION.)
2. Remove in the order indicated in the table.
3. Install in the reverse order of removal.
4. Inspect the front wheel alignment, and adjust it if necessary. (See FRONT WHEEL ALIGNMENT.)



1

Brake hose bracket

2

Front upper arm ball joint

(See FRONT LOWER ARM REMOVAL/INSTALLATION.)

3

Front shock absorber, coil spring and front upper arm

4

Front shock absorber and coil spring




< Previous   Next >
Back to Top
© 2009 Mazda North American Operations, U.S.A.