Next >

2008 - MX-5 - Suspension

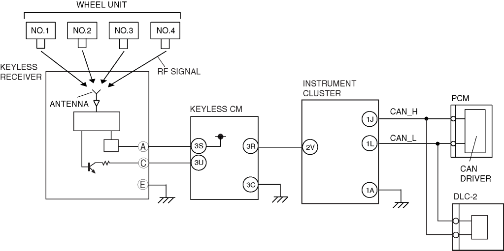
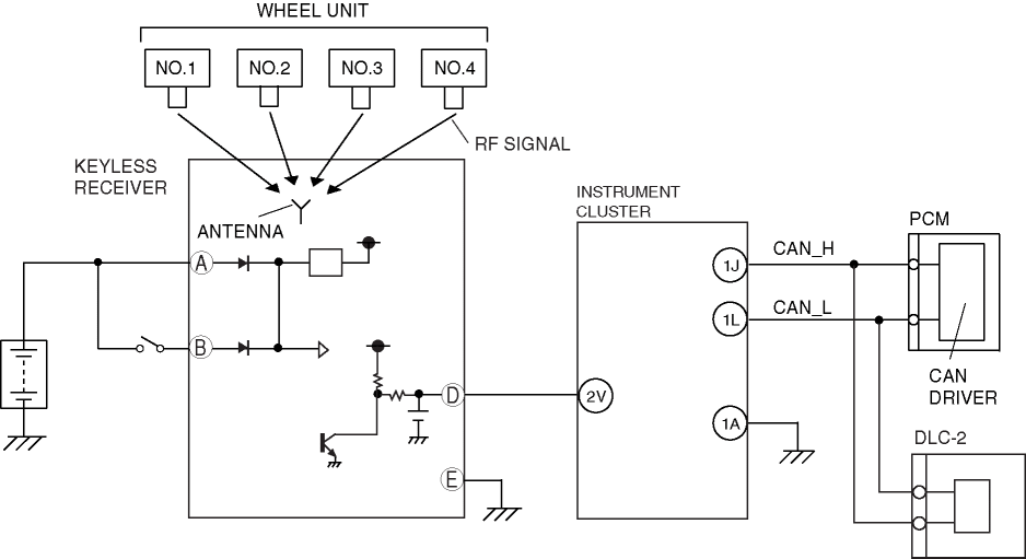
TIRE PRESSURE MONITORING SYSTEM (TPMS) WIRING DIAGRAM

With advanced keyless system or keyless entry system

Without advanced keyless system and keyless entry system



  Next >
Back to Top
© 2009 Mazda North American Operations, U.S.A.