< Previous   Next >

2008 - MX-5 - Engine

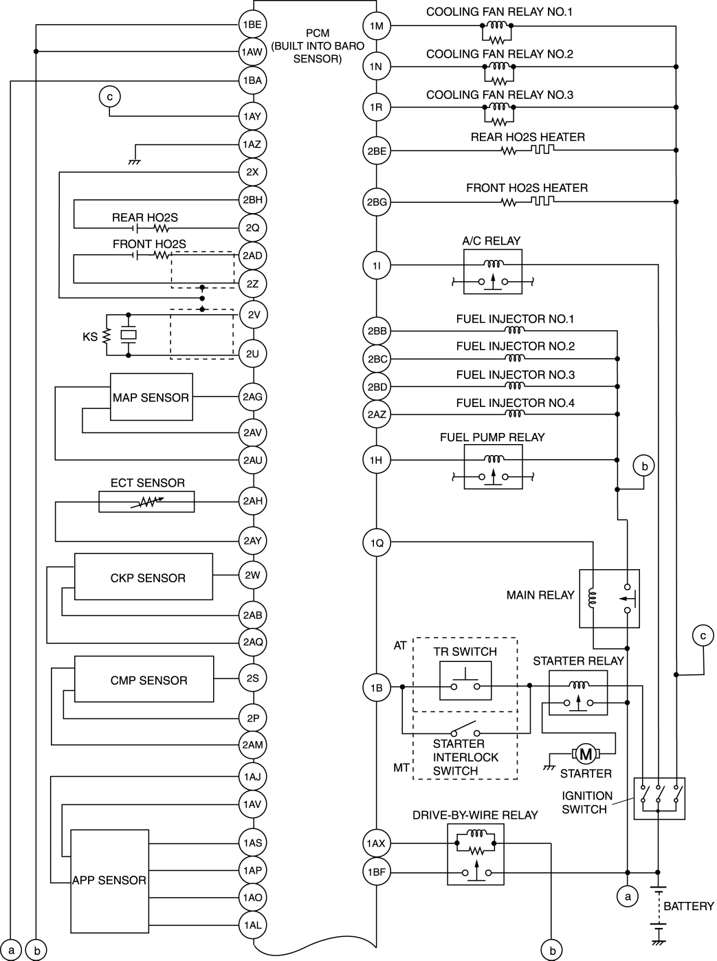
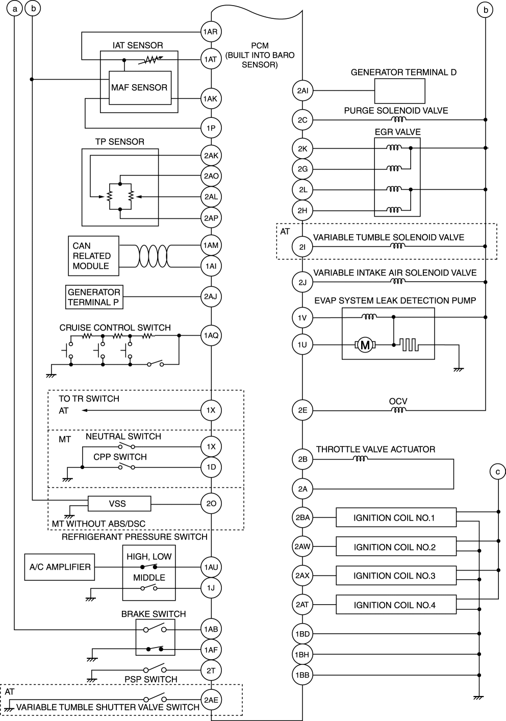
CONTROL SYSTEM WIRING DIAGRAM [LF]



< Previous   Next >
Back to Top
© 2012 Mazda North American Operations, U.S.A.