< Previous   Next >

2008 - MX-5 - Engine

QUICK RELEASE CONNECTOR (EMISSION SYSTEM) REMOVAL/INSTALLATION [LF]

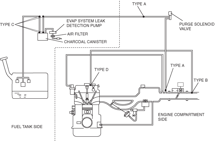
Quick Release Connector Type

CAUTION:

Type A Removal

CAUTION:

NOTE:

1. Rotate the release tab on the quick release connector to the stopper position.

NOTE:

2. Pull out the evaporative hose straight from the joint port and disconnect it.

3. Cover the disconnected quick release connector and joint port with vinyl sheeting or a similar material to prevent it from scratches or dirt.

Type B Removal

1. Squeeze the release tab until the locks are released.

NOTE:

2. Pull the quick release connector straight outward.

NOTE:

3. Cover the disconnected quick release connector and joint port with vinyl sheeting or a similar material to prevent it from becoming scratched or dirty.

Type C Removal

CAUTION:

NOTE:

1. Follow “BEFORE SERVICE PRECAUTION” and remove dirt from the connecting surfaces before performing any work operations.

NOTE:

2. Set the SST parallel to the quick release connector.

NOTE:

3. Hold the center of the retainer tabs with the SST ends and press the retainer.
4. Pull the connector side and disconnect the quick release connector.
5. Raise a retainer tab using the SST and remove the retainer.

6. Cover the disconnected quick release connector and joint port with vinyl sheeting or a similar material to prevent it from becoming scratched or dirty.

Type D Removal

CAUTION:

1. Release the locks between the retainer and joint port by pressing each retainer lock one by one using a flathead screwdriver or a similar tool.

2. Pull out the hose straight from the joint port and disconnect it.

NOTE:

3. Cover the disconnected quick release connector and joint port with vinyl sheeting or a similar material to prevent it from becoming scratched or dirty.

Type A Installation

NOTE:

1. Inspect the evaporative hose and joint port sealing surface for damage and deformation.
2. Apply a small amount of clean engine oil to the sealing surface of the joint port.
3. Reconnect the evaporative hose straight to the joint port until a click is heard.

NOTE:

4. Lightly pull and push the quick release connector a few times by hand, and then verify that it can move 2.0—3.0 mm {0.08—0.12 in} and is connected securely.

Type B Installation

NOTE:

1. When newly replacing the quick release connector, remove the release tab using the following procedure.
a. Widen the retainer lock using a flathead screwdriver, then pull out the release tab from the joint port and remove it.

2. Inspect the quick release connector and joint port sealing surface for damage and deformation.
3. Apply a small amount of clean engine oil to the sealing surface of the joint port.
4. Reconnect the quick release connector straight to the joint port until a click is heard.

NOTE:

5. Lightly pull and push the quick release connector a few times by hand, and then verify that it is connected securely.

Type C Installation

NOTE:

CAUTION:

1. Install a new retainer to the quick release connector.
2. Reconnect the hose straight to the pipe until a click is heard.
3. Lightly pull and push the quick release connector a few times by hand, and then verify that it is connected securely.

Type D Installation

NOTE:

1. When newly replacing the quick release connector, remove the release tab using the following procedure.
a. Widen the retainer lock using a flathead screwdriver, then pull out the release tab from the joint port and remove it.

2. Inspect the quick release connector and joint port sealing surface for damage and deformation.
3. Apply a small amount of clean engine oil to the sealing surface of the joint port.
4. Reconnect the quick release connector straight to the joint port until a click is heard.

NOTE:

5. Lightly pull and push the quick release connector a few times by hand, and then verify that it is connected securely.


< Previous   Next >
Back to Top
© 2012 Mazda North American Operations, U.S.A.