< Previous   Next >

2008 - MX-5 - Engine

CHARCOAL CANISTER REMOVAL/INSTALLATION [LF]

1. Remove the battery cover.
2. Disconnect the negative battery cable. (See BATTERY REMOVAL/INSTALLATION [LF].)
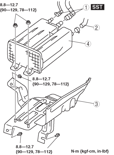
3. Remove in the order indicated in the table.
4. Install in the reverse order of removal.



1

Quick connector (Type C)

(See QUICK RELEASE CONNECTOR (EMISSION SYSTEM) REMOVAL/INSTALLATION [LF].)

2

Evaporative hose

(See CHARCOAL CANISTER REMOVAL/INSTALLATION [LF].)

3

Charcoal canister bracket

4

Charcoal canister


Evaporative Hose Installation Note

1. Fit the evaporative hose onto the respective fittings, and install clamps as shown.

a. Insert the evaporative hose securely to the nipple.
b. Inspect the evaporative hose for damage and deformation.


< Previous   Next >
Back to Top
© 2012 Mazda North American Operations, U.S.A.