< Previous   Next >

2008 - MX-5 - Engine

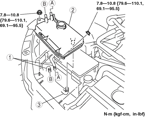
COOLANT RESERVE TANK REMOVAL/INSTALLATION [LF]

WARNING:

1. Drain the engine coolant until the coolant reserve tank becomes empty. (See ENGINE COOLANT REPLACEMENT [LF].)
2. Remove in the order indicated in the table.
3. Install in the reverse order of removal.
4. Add engine coolant. (See ENGINE COOLANT REPLACEMENT [LF].)
5. Inspect for engine coolant leakage. (See ENGINE COOLANT LEAKAGE INSPECTION [LF].)



1

Hose

2

Coolant reserve tank

3

Hose




< Previous   Next >
Back to Top
© 2012 Mazda North American Operations, U.S.A.