1. Remove the battery and battery tray. (See BATTERY REMOVAL/INSTALLATION [LF].)
2. Remove the plug hole plate. (See PLUG HOLE PLATE REMOVAL/INSTALLATION [LF].)
3. Remove the air cleaner. (See INTAKE-AIR SYSTEM REMOVAL/INSTALLATION [LF].)
4. Disconnect the ventilation hose. (See QUICK RELEASE CONNECTOR (EMISSION SYSTEM) REMOVAL/INSTALLATION [LF].)
5. Remove the front suspension tower bar (joint). (See FRONT SUSPENSION TOWER BAR REMOVAL/INSTALLATION.)
6. Remove the CMP sensor. (See CAMSHAFT POSITION (CMP) SENSOR REMOVAL/INSTALLATION [LF].)
7. Disconnect the OCV connector.
8. Disconnect the P/S pressure switch connector.
9. Remove the ignition coils. (See IGNITION COIL REMOVAL/INSTALLATION [LF].)
10. Remove the cylinder head cover. (See TIMING CHAIN REMOVAL/INSTALLATION [LF].)
11. Remove the drive belt. (See DRIVE BELT REPLACEMENT [LF].)
12. Remove the engine front cover lower blind plug.
13. Remove the engine front cover upper blind plug.
14. Remove the cylinder block lower blind plug.
15. Install the SST as shown.
16. Turn the crankshaft clockwise until the crankshaft is in the No.1 cylinder TDC position.
17. Loosen the timing chain using the following procedure.a. Insert a suitable bolt (M6 X 1.0, length 25—35 mm {0.99—1.3 in}) into the engine front cover upper blind plug and tighten it until it contacts the chain tensioner arm, and then rotate it back one turn. (Set the bolt slightly away from the chain tensioner arm so that it does not contact it.)b. Using the cast hexagon on the exhaust camshaft, apply force counterclockwise to facilitate unlocking the chain tensioner ratchet.c. Using a Hex bit socket (2.5 mm {0.098 in}) or T15 Torx bit socket, unlock the chain tensioner ratchet so that it can be lifted up.d. Using the cast hexagon on the exhaust camshaft, apply force in the direction of the engine rotation to increase tension on the chain.NOTE:
NOTE:
The ratchet has not been unlocked if the bolt cannot be pressed in approx. 5 mm {0.2 in}.
e. Screw in the bolt set in Step 1 approx. 5 mm {0.2 in} and secure the tensioner arm with the rack compressed.
If the tensioner arm cannot be secured, return the bolt to its original position and repeat the procedure from Step 3.
18. Hold the exhaust camshaft using a suitable wrench on the cast hexagon as shown.
CAUTION:
Perform the work carefully so that the washer does not drop out.
19. Remove the exhaust camshaft sprocket bolt, exhaust camshaft sprocket, and washer as a single unit.
20. Remove the OCV. (SeeOIL CONTROL VALVE (OCV) REMOVAL/INSTALLATION [LF].)
21. Loosen the camshaft cap bolts in several passes in the order shown.NOTE:
The camshaft caps are to be kept ordered for correct reassembly in their original positions. Do not mix the caps.
22. Remove the camshafts.
23. Remove the tappet.
24. Select proper adjustment tappet.New adjustment shim
= Removed shim thickness + Measured valve clearance - Standard valve clearance (IN: 0.25 mm {0.0098 in}, EX: 0.30 mm {0.0118 in})
Valve clearance [Engine cold]
IN: 0.22—0.28 mm {0.0087—0.0110 in}
EX: 0.27—0.33 mm {0.0107—0.0129 in}
25. Apply the gear oil (SAE No.90 or equivalent) to each journal of the cylinder head as shown in the figure.
26. Install the camshaft with No.1 cylinder camshaft lobes aligned with the TDC position.
27. Apply the gear oil (SAE No.90 or equivalent) to each journal of the camshaft as shown in the figure.
28. Tighten the camshaft cap bolt with the following two steps.Tightening torque
(1) Tighten to 5.0—9.0 N·m {51.0—91.7 kgf·cm, 44.3—79.6 in·lbf}
(2) Tighten to 14.0—17.0 N·m {1.5—1.7 kgf·m, 10.4—12.5 ft·lbf}
29. Install the OCV. (SeeOIL CONTROL VALVE (OCV) REMOVAL/INSTALLATION [LF].)
CAUTION:
Install a washer to the fourth or fifth thread of the exhaust camshaft sprocket bolt being careful not to drop the washer.
Do not tighten the camshaft sprocket bolt at this stage. Verify the valve timing before performing the bolt tightening.
30. Install the exhaust camshaft sprocket bolt, exhaust camshaft sprocket, and a new washer as a single unit.
31. Install the SST to the camshaft as shown in the figure.
32. Remove the installation bolt for the engine front cover upper blind plug (M6 X 1.0 length 25—35mm {0.99—1.3 in}), and apply tension to the timing chain.
33. Turn the crankshaft clockwise until the crankshaft is in the No.1 cylinder TDC position.
34. Hold the exhaust camshaft using a suitable wrench on the cast hexagon as shown.
35. Tighten the exhaust camshaft sprocket lock bolt.Tightening torque
69—75 N·m {7.1—7.6 kgf·m, 50.9—55.3 ft·lbf}
36. Remove the SST from the camshaft.
37. Remove the SST from the block lower blind plug.
38. Rotate the crankshaft clockwise two turns and inspect the valve timing.
If not aligned, loosen the camshaft sprocket lock bolt and repeat the procedure from Step 31.
39. Apply silicone sealant to the engine front cover upper blind plug.
40. Install the engine front cover upper blind plug.Tightening torque
8.0—11.5 N·m {82—117 kgf·cm, 71—101 in·lbf}
41. Install the cylinder block lower blind plug.Tightening torque
18—22 N·m {1.9—2.2 kgf·m, 13.3—16.2 ft·lbf}
42. Install the new engine front cover lower blind plug.Tightening torque
10—14 N·m {102—142 kgf·cm, 89—123 in·lbf}
43. Install the drive belt. (See DRIVE BELT REPLACEMENT [LF].)
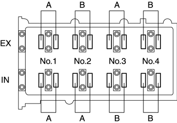
44. Measure the valve clearance.a. Turn the crankshaft clockwise so that the No.1 piston is at TDC of the compression stroke.b. Measure the valve clearance at A in the figure.
If the valve clearance is out of the specification, adjust it. (See VALVE CLEARANCE ADJUSTMENT [LF].)
NOTE:
Make sure to note down the measured values for choosing the suitable replacement tappets.
Valve clearance [Engine cold]
IN: 0.22—0.28 mm {0.0087—0.0110 in}
EX: 0.27—0.33 mm {0.0107—0.0129 in}
c. Turn the crankshaft 360° clockwise so that the No.4 piston is at TDC of the compression stroke.d. Measure the valve clearance at B in the figure.
If the valve clearance is out of the specification, adjust it. (See VALVE CLEARANCE ADJUSTMENT [LF].)
NOTE:
Make sure to note down the measured values for choosing the suitable replacement tappets.
Valve clearance [Engine cold]
IN: 0.22—0.28 mm {0.0087—0.0110 in}
EX: 0.27—0.33 mm {0.0107—0.0129 in}
45. Install the cylinder head cover. (See TIMING CHAIN REMOVAL/INSTALLATION [LF].)
46. Install the ignition coils. (See IGNITION COIL REMOVAL/INSTALLATION [LF].)
47. Connect the OCV connector.
48. Install the CMP sensor. (See CAMSHAFT POSITION (CMP) SENSOR REMOVAL/INSTALLATION [LF].)
49. Install the front suspension tower bar (joint). (See FRONT SUSPENSION TOWER BAR REMOVAL/INSTALLATION.)
50. Connect the ventilation hose. (See QUICK RELEASE CONNECTOR (EMISSION SYSTEM) REMOVAL/INSTALLATION [LF].)
51. Install the air cleaner. (See INTAKE-AIR SYSTEM REMOVAL/INSTALLATION [LF].)
52. Install the plug hole plate. (See PLUG HOLE PLATE REMOVAL/INSTALLATION [LF].)
53. Install the battery and battery tray. (See INTAKE-AIR SYSTEM REMOVAL/INSTALLATION [LF].)